作為一個曾經被牙痛摧殘至痛不欲生的過來人,我可以負責任地告訴你,牙齒健康真TM太重要了,“牙痛不是病,痛起來真要命”是真實寫照,牙痛的時候你能感覺到牙神經在歡快地跳動,好像有個小人拿著電鉆在腮幫子上打洞,根本無法集中注意力干其他事情,吃飯更是沒有食欲,只能吃點相對軟的飯或者粥。后來通過去看牙醫,拔牙、洗牙,使用電動牙刷系列操作解救了我。電動牙刷只是個刷牙的工具,但是電動牙刷使刷牙這件事情變得簡單,而且清潔力更強。簡單說就是多快好省,是懶癌患者的福音。
今天主要為大家分享的是電動牙刷電動剃須刀里可以用到的輕觸開關。

其實目前國產的電動牙刷,電動剃須刀也是非常不錯的,不管在價格還是做工,品控方面,都能和飛利浦、歐樂比兩大國外品牌的中低端不相伯仲,能完全滿足平時的需求。
| 基本參數/PARAMETER | |
| 額定電流 | 12V DC, 50mA |
| 電氣壽命 | 100000 |
| 接觸電阻 | ≤100mΩ |
| 絕緣電阻 | ≥100MΩ |
| 操作力 | 160±30gf |
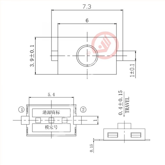
| 最大行程 | 0.4±0.15mm |
|
高 度 |
2.5mm |
| 可替代型號系 | SKR系列 |
產品優勢
1.產品全自動化組裝/檢測,品質穩定。
2.48H鹽霧測試可在相對惡劣環境下使用。
3.防水等級IPX7。
產品圖紙
安裝尺寸圖

材質解析
港源始終陪伴在您點滴生活中,并為消費者提供專業的產品應用,港源值得信賴。港源免費提供樣品測試,歡迎來電咨詢。


7.2*6.8帶燈(KAN6811)
G10F
GYRSF
KAN6247貼片輕觸開關